Bộ khuếch đại thuật toán hai kênh AiP4580 & AiP4558
AiP4580
1. Mô tả chung
AiP4580 là một bộ khuếch đại thuật toán hai kênh tốc độ cao, độ chính xác cao.
Nó có điện áp lệch thấp, độ nhiễu thấp, băng thông khuếch đại đơn vị cao, dòng điện đầu ra lớn và độ méo thấp. Nó chủ yếu được sử dụng trong các ứng dụng như tiền khuếch đại âm thanh, bộ lọc chủ động, đo lường công nghiệp và thiết bị đo lường cho các mục đích khuếch đại tuyến tính khác nhau.
2. Đặc điểm
● Điện áp hoạt động (±2V~±18V)
● Điện áp nhiễu đầu vào thấp (0,8μVrms điển hình, RIAA, LPF 30KHz)
● Điện áp bù thấp (0,5mV điển hình, 3mV tối đa)
● Băng thông rộng 15MHz (điển hình)
● Độ méo tiếng thấp: 0.0005% (điển hình).
● Tốc độ biến đổi điện áp 5V/μs (điển hình)
● Hình thức đóng gói: SOP8/DIP8/MSOP8/SIP8
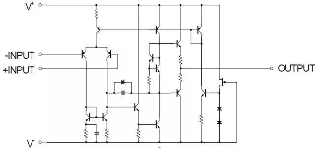
3. Sơ đồ khối

4. Mô tả ghim

AiP4558
1. Mô tả chung
IC AiP4558 cung cấp hai bộ khuếch đại thuật toán đa năng độc lập, có độ khuếch đại cao và bù tần số bên trong. Nó có thể hoạt động với nguồn điện đơn trên dải điện áp rộng hoặc nguồn điện kép. IC này chủ yếu được sử dụng trong các mạch theo dõi điện áp, các thành phần khuếch đại DC, điều khiển công nghiệp và tất cả các bộ khuếch đại thuật toán thông dụng.
2. Đặc điểm
1
● Dải điện áp chế độ chung và điện áp vi sai rộng (±2V~±18V)
● Điện áp bù thấp (0,5mV điển hình, 6mV tối đa)
● Băng thông khuếch đại đơn vị: 3MHz (điển hình)
● Điện áp nhiễu đầu vào thấp: 8 nV /√Hz, 1KHz (điển hình)
● Tốc độ biến đổi điện áp: 1.7V/uS (điển hình)
● Thông tin đóng gói: SOP8/DIP8/SIP8/SOP8(W)
3. Sơ đồ khối

4. Mô tả ghim

để lại lời nhắn