1、Introduction
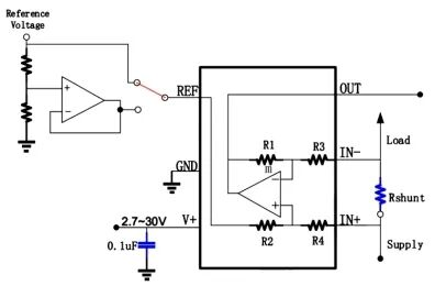
Current sense amplifiers are amplifiers that detect current by measuring the voltage drop across a resistor in the current path, and they are commonly used in applications such as motor drives, LED lighting, and power management. i-CORE's AiP8199 is a zero-drift, bidirectional current-sense amplifier that senses the voltage across a sense resistor under a common-mode voltage range of -0.2V to 30V. It offers six fixed gain options and can serve as a drop-in replacement for the INA199, frequently utilized in high-side and low-side current sensing, battery charging, and power management systems.
2、Features
Input offset voltage: ±200uV (maximum)
Input common-mode voltage range: -0.2V to 30V
Power voltage: 2.7V to 30V
Precision and zero drift characteristics:
±1% gain error (maximum, full temperature)
0.5μV/°C offset drift max.
Maximum gain drift of 10ppm/°C.
Output voltage gain:
50V/V (AiP8199A1)
100V/V (AiP8199A2)
200V/V (AiP8199A3)
Power supply current: 110uA (typical)
Rail to rail output
Temperature range: -40°C to 125°C
Package information: SOT363
ESD level: 4KV- HBM
Application Field
As traditional "open-loop" systems are increasingly replaced by efficient and stable "closed-loop" systems, current sensing has become ever more critical in various applications. The zero-drift, bidirectional current-sense amplifier—AiP8199—introduced by i-CORE can be deployed across a wide range of scenarios, including BMS, electronic cigarettes, motor equipment, industrial control devices, wireless chargers, laptops, and telecommunications equipment.
Pin Configurations

SOT363

Positive Current Sensing

Negative Current Sensing

Bidirectional Current Sensing

Conclusions
i-CORE will continue to introduce more competitive current-sense amplifier products in the future, which will be compatible with devices such as the INA180 and INA181. Stay tuned!
-17762182293yAeyTuizZ.jpg)
để lại lời nhắn